|
|
| |
Forum |
info |
 |
Presentazioni In questa sezione puoi presentarti alla community.ultimo messaggio in questo forum
Le domande se fatte per aumentare le proprie capacità non sono mai da riferirsi banali. Anche la più grande impresa inizia con un primo piccolo passo. Sta poi a te darti da fare per i passi successivi. |
ultimo messaggio di  amilcare.c del 16.04.2025, 23:47 |
 |
Elettronica Generale Qui si parla di tutto....dall'analogico al digitale, dal software all'hardware, dal semplice crepuscolare al computer.ultimo messaggio in questo forum
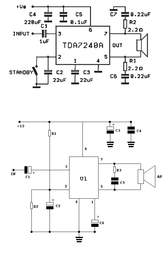
Sul sito di Futura Elettronica e anche qui su Grix ho trovato uno schema elettrico (in basso) dell'integrato TDA7240A che presenta un paio di piccole modifiche rispetto all'originale (in alto):
[img]https://iili.io/fRbdXfa.png[/img]
C1 è da 2,2 uF, R1 e R2 sono da 47k, R3 da 10 ohm, C5 da 220 nF, gli altri componenti come da datasheet.
Che migliorie apporta questo schema alternativo?
Per quanto riguarda lo schema originale, nel datasheet c'è questa tabella:
[img]https://iili.io/fRbBDyG.png[/img]
Se ho capito bene posso mettere senza problemi delle resistenze da 1 ohm per R1 e R2 e due condensatori da 330 o 470 nF per C6 e C7. |
ultimo messaggio di  Alan_Ford del 10.12.2025, 18:42 |
 |
Mercatino Vendi o Compri materiale elettronico? Qui sei nel posto giusto. Prima di postare leggi bene il regolamento del mercatino.ultimo messaggio in questo forum
Buonasera a tutti. Se a qualcuno interessa i prototipi dei miei progetti qui pubblicati, in particolare quelli più recenti, sono disponibile a cederli al migliore offerente. Scrivetemi in privato. Grazie |
ultimo messaggio di  atroxur del 08.12.2025, 18:17 |
 |
Pic Micro Tutto quanto riguarda questi microprocessori... progetti, suggerimenti, aiuti, discussioni...eccultimo messaggio in questo forum
Buonasera
Utilizzando il linguaggio c e mikroc possiamo lavorare con i numeri decimali.
Il mio problema nasce nel momento in cui voglio caricare un numero decimale nei registri del TIMER1 :
TMR1H
TMR1L.
Qualcuno potrebbe dirmi che basterebbe convertire il numero decimale in un numero binario.
Ok .... ma in fase di programmazione come si fa???
Grazie.
Massimo. |
ultimo messaggio di  mpeino del 08.12.2025, 20:13 |
 |
Robotica, CNC, 3D Finalmente un posto dove poter discutere di robotica di CNC e stampanti 3D, scambiarsi idee, progetti ed opinioni. Partecipa anche tu...ultimo messaggio in questo forum
https://i.postimg.cc/8cy0G6Pd/Screenshot-2025-11-19-06-15-00…
Questi sono i miei ultimi lavori con l'ardesia e un laser da 10W ad un costo notevolmente inferiore a quelli da te postato se guardi con attenzione trovi anche due lavori sul legno compensato e su MDF nella stessa foto
Io uso questo Incisore laser LONGER RAY5 10W Area di lavoro 400x400mm se cerchi bene riesci a trovarlo a meno di 400 euro
|
ultimo messaggio di  amilcare.c del 19.11.2025, 06:26 |
 |
chiacchiere Suggerimenti, opinioni, segnalazione siti e discussioni a tema libero. (evitate post sul sistema dei livelli, per eventuali richieste e suggerimenti usate l'apposita scheda contatti)ultimo messaggio in questo forum
[img]https://i.imgur.com/TmQAxsv.jpeg[/img] |
ultimo messaggio di  ax77 del 09.08.2025, 18:44 |
 |
Informatica ed Elettronica Dedicato all'informatica per l'elettronica. Un posto in cui scambiarsi consigli nell'utilizzo di applicazioni legate al nostro hobby o per condividere del software per applicazioni elettroniche. (PS: E' vietato inserire link a materiale "pirata")ultimo messaggio in questo forum
Ciao, cè qualcuno che potrebbe darmi una mano per iniziare ad imparare ad usare un cad elettrico (ige-xao), magari con qualche lezione , giusto per apprendere le basi. Grazie |
ultimo messaggio di  chinesechef del 09.12.2025, 14:06 |
 |
Musica ed elettronica Ti piace la musica e l'elettronica... discutine qui.ultimo messaggio in questo forum
Comunque NE5532 è un ottimo op amp per audio, usato in prodotti commerciali di buona classe |
ultimo messaggio di  schottky del 17.03.2025, 17:00 |
|
|