| |
| Autore |
Messaggio |
opzioni |
 Denis1210


postato il: 06.04.2025, alle ore 00:18 |
circuito on off
ciao a tutti sono nuovo del forum e credo che qualcuno mi può aiutare,
mi serve un circuitino che quandp premo un pulsnte un relais si eccita e si diseccita immediatamente ( meno di 0,5 sec) anche se il pulsante rimane premuto. l'alimentazione deve essere compresa tra 5 e 12 volt.se rilascio il pulsante non deve succedere niente ma se lo ripremo deve di nuovo eccitare e diseccitare lo stesso relais
grazie |
|
 amilcare.c

[pagine pubblicate]
postato il: 06.04.2025, alle ore 15:26 |
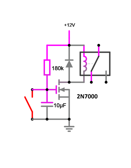
Eccoti accontentato col minor numero possibile di componenti.
Per variare i tempi devi agire sulla resistenza che puo' essere sostituita con un trimmer.
Al simulatore i valori usati danno un intervento di mezzo secondo, variando la alimentazione tale tempo sicuramente si modifica ma, questo e' il costo della semplificazione estrema

http://www.elettroamici.org/
Preoccupati piu' della tua coscienza che della reputazione.
Perche' la tua coscienza e' quello che tu sei,
la tua reputazione e' cio' che gli altri pensano di te.
E quello che gli altri pensano di te e' problema loro.
Charlie Chaplin
Elettronica: il LEGO dei grandi |
|
 Denis1210


postato il: 06.04.2025, alle ore 15:54 |
Grazie davvero, cos'è quel componente in grigio con 3 linee ? |
|
 Denis1210


postato il: 06.04.2025, alle ore 16:43 |
Intendo quello vi inoltro al condensatore |
|
 Denis1210


postato il: 06.04.2025, alle ore 16:49 |
Vicino al condensatore |
|
 Denis1210


postato il: 06.04.2025, alle ore 17:26 |
Ho capito è un Molfetta grazie provo a realizzarlo |
|
 Denis1210


postato il: 06.04.2025, alle ore 17:26 |
Mosfet |
|
 zio bapu


postato il: 06.04.2025, alle ore 18:13 |
Non mi pare che il circuito esegua quanto richiesto in quanto se il pulsante resta premuto il relè resta eccitato per tutto il tempo della pressione.
Forse disaccoppiando il pulsante o il mos tramite un condensatore...
mandi |
|
 Denis1210


postato il: 06.04.2025, alle ore 18:32 |
Infatti l'ho finito adesso ma non fa quello che ho chiesto
A me serve che quando clicco sul pulsante il relais si eccita e si diseccita in meno di 1/2 secondo
Poi se rilascio il pulsante non deve succedere niente fino a quando non clicco di nuovo il pulsante |
|
 amilcare.c

[pagine pubblicate]
postato il: 06.04.2025, alle ore 19:32 |
Ti serve il cambio di stato ad ogni pressione o qualcosa di diverso?
Se è solo un on/off ad ogni pressione il circuito potrebbe essere questo

http://www.elettroamici.org/
Preoccupati piu' della tua coscienza che della reputazione.
Perche' la tua coscienza e' quello che tu sei,
la tua reputazione e' cio' che gli altri pensano di te.
E quello che gli altri pensano di te e' problema loro.
Charlie Chaplin
Elettronica: il LEGO dei grandi |
|
| |